BASIC ENGINEERING
Mittels 2D-Zeichnungen bzw. 3D-Modell

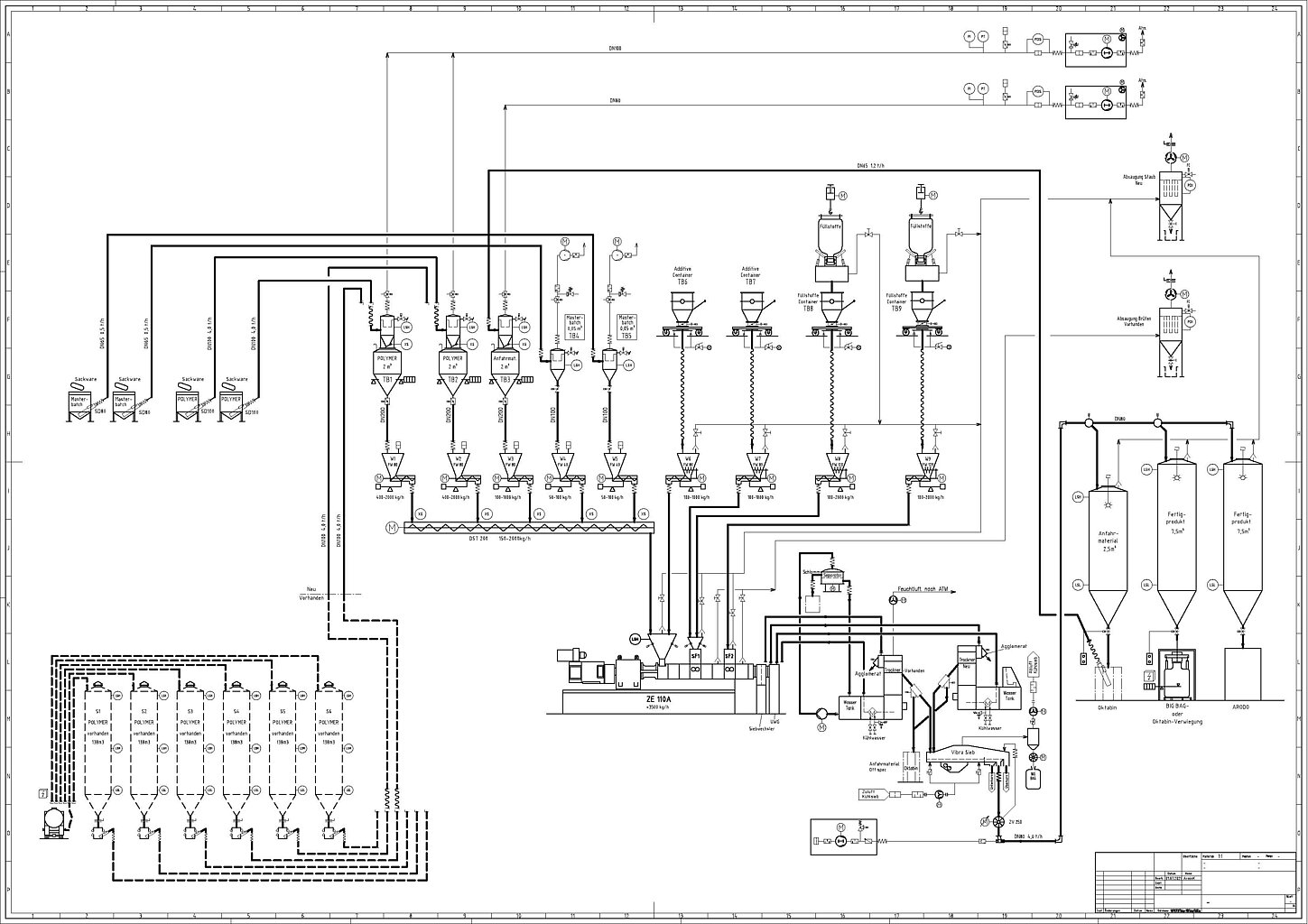
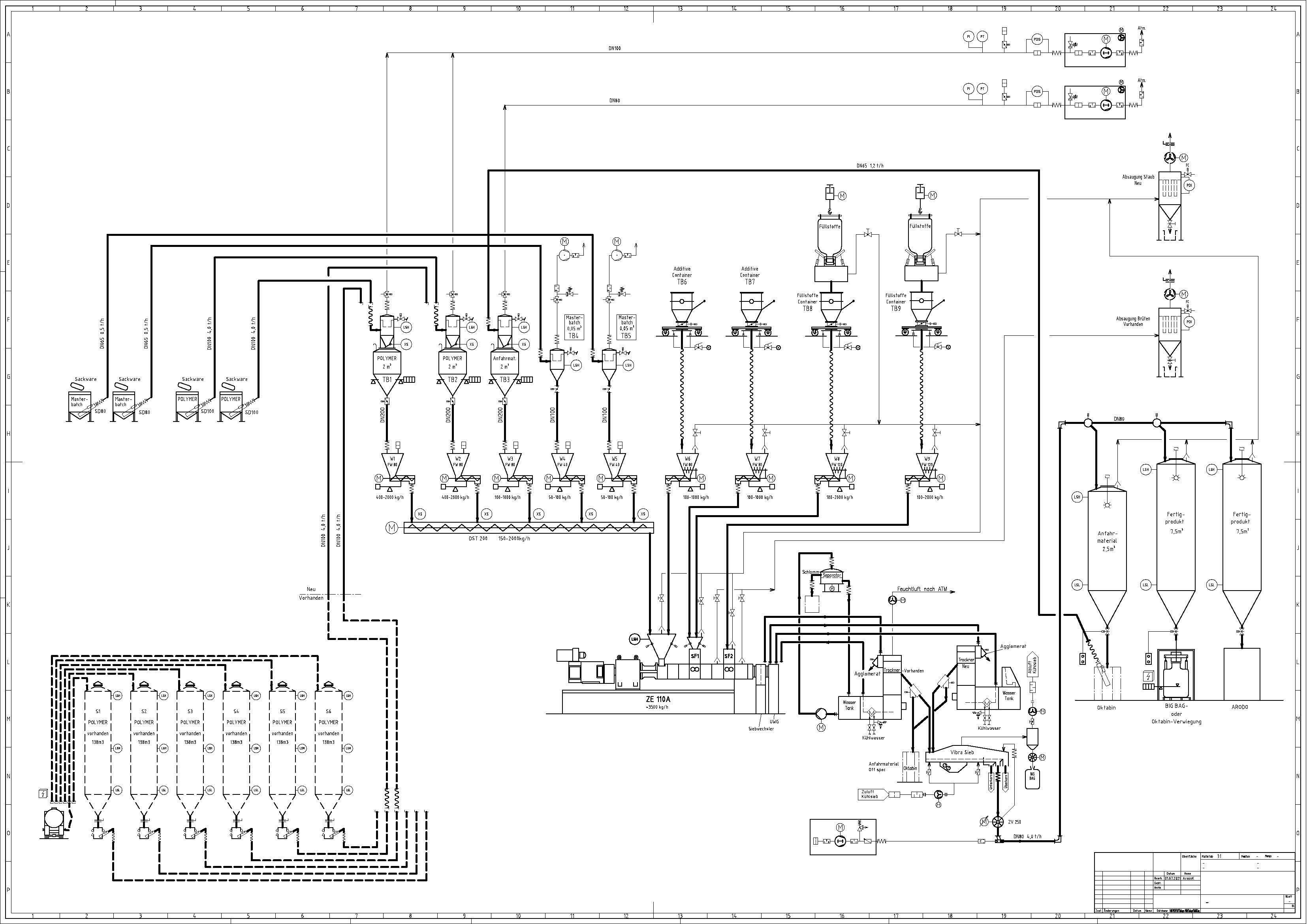
Basic Engineering

Im Rahmen des Basic Engineerings erstellen wir die Entwurfsplanung für Ihr Projekt. Dabei benutzen wir modernste CAD-Programme und entwerfen 2D und 3D Modelle. Außerdem entwickeln wir Machbarkeitsstudien, erstellen Konzepte und beraten Sie eingehend bei Problemstellungen. Auch passende Fließschemata werden von uns erstellt. Fließschemata sind die Darstellung eines Projektes mit Hilfe von graphischen Symbolen, die z.B. für Anlagenteile stehen. Durch sogenannte Fließlinien können Stoffe, Energien und Energieträger visualisiert werden. Die Erstellung eines Verfahrensfließschemas ist eine wichtige Planungsgrundlage und enthält zahlreiche Detailinformationen, die für die Planung und Durchführung wichtig sind.

Sie haben Fragen?

WIR BEANTWORTEN SIE GERNE